|
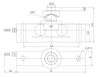
量程(chéng) |
尺寸 |
||||||
|
t |
L1 |
L2 |
B |
H1 |
H2 |
H3 |
D |
|
0.5 |
180.0 |
150.0 |
37.0 |
43.0 |
10.0 |
85.5 |
Φ25.5 |
|
2~3 |
200.0 |
160.0 |
40.0 |
52.0 |
10.0 |
99.8 |
Φ31.8 |

在線訂購