歡迎來到山東91香蕉视频污下载試驗(yàn)設備有限公(gōng)司!

產品 中(zhōng)心

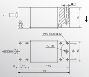
DTP-5平行梁傳感器

產品簡介:

DTP-5型平行梁式傳感器為單點式承載結構,出廠前經過嚴格的四角(jiǎo)修(xiū)正,在規定的稱(chēng)重範圍內保證信號輸(shū)出一致。可用於製(zhì)作由單隻傳感器構成的各種電子台秤,產品結構簡單,精度高,安
  • 組成(chéng)部分
  • 分布圖
  • 技術參數

最大秤台麵(miàn)積Max Platerform scale600X600mm

主 要(yào) 技 術 指 標Main Description

測量(liàng)範圍Capacity

5101520253050100200

351015203050100200

kg

lb

 輸出靈敏度Rated Output

2.0±0.10

mV/V

 非線性Linear

±0.02

%F.S

 滯後Hysteresis

±0.02

%F.S

 重複性Reapeatability

±0.01

%F.S

 蠕變Creep

±0.02

%F.S

 零點輸出Zero Balance

±1.0

%F.S

 溫度補償範(fàn)圍 Conpensated Temperature Range

室溫~+60

 零點溫度補償係數Temperature Effect On Zero

±0.02

%F.S/10 

 額定輸出溫度係數 Temperature Effect On Output

±0.02

%F.S/10 

 供(gòng)橋電壓 Excitation Voltage

10V

AC/DC

 絕緣電(diàn)阻Insulation Resistence

5000

MΩ/100VDC

 輸入電阻 Input Resistence

410±5

Ω

 輸出電阻Output Resistence

350±2

Ω

 允(yǔn)許過載係數Safe Overload

120

%F.S

電纜連接方式Cable Connection

信號輸出Singal Output 黃:Yellow (+) 黑(hēi):Black (-)

供橋(qiáo)電壓Excitation Voltage Red: (+) Green (-)

在線訂購

91香蕉视频污下载_91香蕉在线视频_香蕉视频APP在线_色香蕉视频在线观看