歡(huān)迎來到山東91香蕉视频污下载試驗設備有限公司!

產品 中心

DT-7鉤秤專用傳感器

產品簡介:

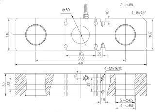
DT-7鉤秤專用傳感器為板(bǎn)環式傳感器,精度高、安裝方便,抗偏載能力(lì)強,抗衝擊性能好,適應在惡劣環境中工作,適用於製作各種吊秤、料鬥秤、包裝秤等稱重測力設備及過載限位(wèi)。
  • 組成部分
  • 分布圖
  • 技術參數

     Main Description

測量範圍Capacity

100150

kg

輸(shū)出(chū)靈(líng)敏度Rated Output

1.5±0.010

mV/V

非線性Linear

±0.03

%F.S

滯後Hysteresis

±0.03

%F.S

重複(fù)性Reapeatability

±0.02

%F.S

蠕變Creep

±0.03

%F.S

零點輸出Zero Balance

≤±1.0

%F.S

溫度補償範圍 Conpensated Temperature Range

室溫~+60

零點溫(wēn)度補(bǔ)償係數Temperature Effect On Zero

±0.02

%F.S/10

額定輸出溫度係數 Temperature Effect On Output

±0.02

%F.S/10

供橋電壓 Excitation Voltage

10V

AC/DC

絕緣電阻Insulation Resistence

5000

MΩ/100VDC

輸入電阻 Input Resistence

390±10

Ω

輸出電阻Output Resistence

350±2

Ω

允許過載係數Safe Overload

200

%F.S

電纜連接方式Cable Connection

信號輸出Singal Output: 黃:Yellow (+) 黑(hēi):Black ()

供橋電壓Excitation Voltage: 紅Red: (+) Green:(-)

在線訂購

91香蕉视频污下载_91香蕉在线视频_香蕉视频APP在线_色香蕉视频在线观看