歡迎來到山東91香蕉视频污下载試驗(yàn)設備(bèi)有(yǒu)限公司!

產品 中心

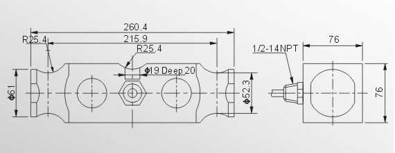
DTQ-5橋式傳(chuán)感器

產品簡介(jiè):

DTQ-5型橋式傳感器,為雙剪切梁(liáng)結構,兩端配有浮動軸力機構,抗側向能力、衝(chōng)擊力強,精度高,性能(néng)穩定可(kě)靠,良好的密封,適應惡劣工作環境,安裝方(fāng)便。 可用於製作各種電子(zǐ)汽車衡、
  • 組成部分
  • 分布圖
  • 技術參數

主(zhǔ) 要 技 術 指 標Main Description

測(cè)量範(fàn)圍Capacity

40、50、65、75

kg

 輸出靈敏度Rated Output

3.0±0.010

mV/V

 非線性Linear

±0.03

%F.S

 滯後Hysteresis

±0.03

%F.S

 重複性Reapeatability

±0.01

%F.S

 蠕變Creep

±0.03

%F.S

 零點輸出Zero Balance

±1.0

%F.S

 溫度補償範圍 Conpensated Temperature Range

室溫~+60

 零點溫度補償係數Temperature Effect On Zero

±0.03

%F.S/10 

 額定輸出溫度係(xì)數 Temperature Effect On Output

±0.03

%F.S/10 

 供橋電壓 Excitation Voltage

10V

AC/DC

 絕緣電阻Insulation Resistence

5000

MΩ/100VDC

 輸(shū)入電阻 Input Resistence

770±8

Ω

 輸出(chū)電(diàn)阻Output Resistence

700±2

Ω

 允許過載係數Safe Overload

120

%F.S

電(diàn)纜連接方式Cable Connection

信號輸出(chū)Singal Output 黃:Yellow (+) 黑:Black (-)

供橋電壓Excitation Voltage Red: (+) Green (-)

在線訂購

91香蕉视频污下载_91香蕉在线视频_香蕉视频APP在线_色香蕉视频在线观看